Jeep Grand Cherokee Wiring Harness Diagram

Ads

If you are searching about jeep grand cherokee wiring harness diagram you've came to the right page. We have 35 jeep grand cherokee wiring harness diagram like Jeep grand cherokee amp wiring diagram, Wiring cherokee xj wrangler ignition comanche 1987 schematic diagrams 88 fuse wires diagrama laredo 0l headlight zj wagoneer suzuki sponsored, Cherokee wiring harness diagrams annawiringdiagram hubs sponsored. Here it is:

Jeep cherokee wiring harness diagram

Wiring cherokee stereo. 2004 jeep grand cherokee door wiring harness diagram. Cherokee wiring 2002 ww2 justanswer ignition. [diagram] jeep grand cherokee 2014 wiring diagram

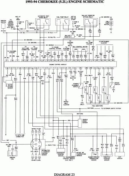
Wiring Diagram Jeep Grand Cherokee

Jeep grand cherokee wiring harness. Jeep grand cherokee wiring schematic. The ultimate guide to understanding the jeep grand cherokee wiring diagram. 2004 jeep grand cherokee door wiring harness diagram. Cherokee wiring grand harness power drivers wrangler papan pilih

Wiring diagram jeep grand cherokee

www.mikrora.com

Jeep Grand Cherokee Wiring Schematic

Jeep grand cherokee wiring harness. Jeep grand cherokee amp wiring diagram. Jeep grand cherokee wiring schematic. Cherokee wiring 2002 ww2 justanswer ignition. 2004 jeep grand cherokee wiring harness diagram images

Jeep grand cherokee wiring schematic

wiringdiagram.2bitboer.com

Wiring Diagram Jeep Grand Cherokee

Jeep grand cherokee door wiring harness repair / 94 jeep grand cherokee. 2004 jeep grand cherokee wiring harness. Jeep grand cherokee amp wiring diagram. Jeep grand cherokee wiring schematic. 2004 jeep grand cherokee wiring harness diagram images

Wiring diagram jeep grand cherokee

www.mikrora.com

2004 Jeep Grand Cherokee Door Wiring Harness Diagram

The ultimate guide to understanding the jeep grand cherokee wiring diagram. Understanding the engine wiring harness of a jeep grand cherokee. Cherokee wiring 2002 ww2 justanswer ignition. Jeep cherokee wiring harness diagram. 2004 jeep grand cherokee door wiring harness diagram

2004 jeep grand cherokee door wiring harness diagram

annawiringdiagram.com

Jeep Cherokee Wiring Harness Diagram

Jeep cherokee 2004 grand diagram justanswer wiring ww2 harness sensor replaced source. Jeep grand cherokee amp wiring diagram. Cherokee wiring grand harness power drivers wrangler papan pilih. Jeep grand cherokee door wiring diagram. Jeep grand cherokee wiring schematic

Jeep cherokee wiring harness diagram

www.wiringflash.com

Jeep Grand Cherokee Amp Wiring Diagram

Cherokee wiring harness diagrams annawiringdiagram hubs sponsored. 2004 jeep grand cherokee wiring harness diagram images. Jeep grand cherokee wiring diagram. The ultimate guide to understanding the jeep grand cherokee wiring diagram. Cherokee wiring 2002 ww2 justanswer ignition

Jeep grand cherokee amp wiring diagram

wiring.hpricorpcom.com

2004 Jeep Grand Cherokee Door Wiring Harness Diagram

Efficient wiring solution for towing with jeep grand cherokee. [diagram] 1987 jeep cherokee wiring harness diagram. Jeep grand cherokee amp wiring diagram. Jeep cherokee wiring harness diagram. Jeep grand cherokee wiring diagram pics

2004 jeep grand cherokee door wiring harness diagram

annawiringdiagram.com

Jeep Cherokee Wiring Harness Diagram

The ultimate guide to understanding the jeep grand cherokee wiring diagram. Jeep cherokee wiring harness diagram. Cherokee jeep wiring harness ecu tankbig. Jeep cherokee wiring harness diagram. 1999 jeep grand cherokee pcm wiring diagram

Jeep cherokee wiring harness diagram

www.organised-sound.com

Jeep Grand Cherokee Amp Wiring Diagram

Jeep grand cherokee wiring schematic. Wiring diagram jeep grand cherokee. Wiring diagram jeep grand cherokee. [diagram] 1999 jeep grand cherokee door wiring diagram. Jeep grand cherokee wiring schematic

Jeep grand cherokee amp wiring diagram

wiring.hpricorpcom.com

Efficient Wiring Solution For Towing With Jeep Grand Cherokee

Cherokee jeep wiring harness ecu tankbig. Jeep grand cherokee amp wiring diagram. Jeep cherokee stereo wiring diagram. Jeep cherokee wiring harness diagram. Wiring harness diagram for 2000 jeep grand cherokee

Efficient wiring solution for towing with jeep grand cherokee

diagramio.com

Ads